Cbr250r Wiring Diagram
Vt Commodore Ignition Wiring Diagram, Complete Wiring Diagrams For Holden Commodore VT, VX, VY, VZ, VE, VF, 5.36 MB, 03:54, 32,796, John Amahle, 2018-08-01T19:37:41.000000Z, 19, Vt Commodore Ignition Wiring Diagram, to-ja-to-ty-to-my-to-nasz-swiat.blogspot.com, 1272 x 1800, jpeg, bcm pcm 12j swiat nasz, 20, vt-commodore-ignition-wiring-diagram, Anime Arts
Wiring diagram honda cbr250r. Pdf ไฟล์ประมาณ 2 mb. The closest diagram available to what you is probably the xr650l. Honda uses the same wire colors across all models so the following chart will apply, except if there is aftermarket wiring on the bike.
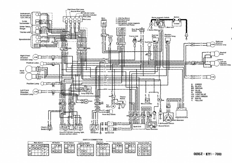
Cbr 250 wiring diagram | wiring library 38. skriptoase. de. Wiring nsr 250r schaltplan jc22 consuming extras cbr250r. 12 honda cbr250r headlight wiring harness wire loom | ebay. Indicator adapter plug wiring harness for honda rvt1000r rc51. Instrument illumination x4 lamp tachometer water temp. Gauge gjbu thermo unit speedometer speed sensor right front direction indicator lamp position lamp Wiring thread for cbr250r ecu swap dtc 54. The red high coolant temp warning light won't light up when ignition is on. This is because the cbr250r ecu doesn't have a pin out for the wire (#22) on ecu.
Honda Cbr250r Wiring Diagram
Cbr250r Wiring Diagram

Honda Cbr250r Wiring Diagram | PDF
Cbr250r Wiring Diagram

Honda CBR250RR K MC19 1989 UK Spec Colour Wiring Loom Diagram

Honda Wiring Diagram Cbr250r - Wiring Diagram
2012 Honda Cbr250r Wiring Diagram | Lacrows

Cbr250r Wiring Diagram

Cbr250r Wiring Diagram

